DOUBLE ECCENTRIC BUTTERFLY VALVE, PN 16
IP67 gearbox w. act. flange/pos. ind., SS seal ring/SS-4057 shaft, intgr. seat, A2 fasteners
Contact
AVK Saudi Valves Manufacturing Co. Ltd.
Street 45, Industrial Area, Phase 4 Jeddah 21443, Saudi Arabia Email: sales_sv@avksvmc.com Working Hours: Sunday to Thursday, 8:00 AM – 5:00 PM
Double eccentric butterfly valve to EN 593 for neutral liquids like drinking water and treated waste water free from solids and fibrous impurities to max 70°C.
AVK double eccentric butterfly valves with tilted disc are designed for easy operation and long service life. The disc seal is made of AVK's drinking water approved EPDM rubber featuring an excellent compression set and ability to regain the original shape. The high quality epoxy coating and fully encapsulated shaft/disc connection ensure optimal corrosion protection and durability. The valves are suitable for bi-directional application.
| Variant 756/102-142 | |
|---|---|
| Connection: | Flanged |
| Material: | Ductile iron |
| DN: | DN150 - DN600 |
| PN: | PN 10/16 |
| Closing direction: | Clockwise to Close |
Features
- Double eccentric design releases the compression of the disc sealing after a few degrees of opening, which extends the durability and gives low operating torques
- The disc is fixated to prevent wear and fluttering
- The disc seal profile and rubber quality ensure low closing torques
- All rubber parts are multi approved
- Seal retainer ring of stainless steel
- The threaded bolt holes in the disc are corrosion protected with O-rings
- Machined and epoxy coated ductile iron seat integrated in the body
- Shaft of stainless steel with self-lubricating bearings
- The shaft ends are corrosion protected with a stainless steel security plate and a gasket
- Replaceable shaft sealing with an EPDM O-ring on a stainless steel ring, a back-up EPDM O-ring in the housing.
- Body and disc of ductile iron with epoxy coating to DIN 3476, RAL 5017
Downloads
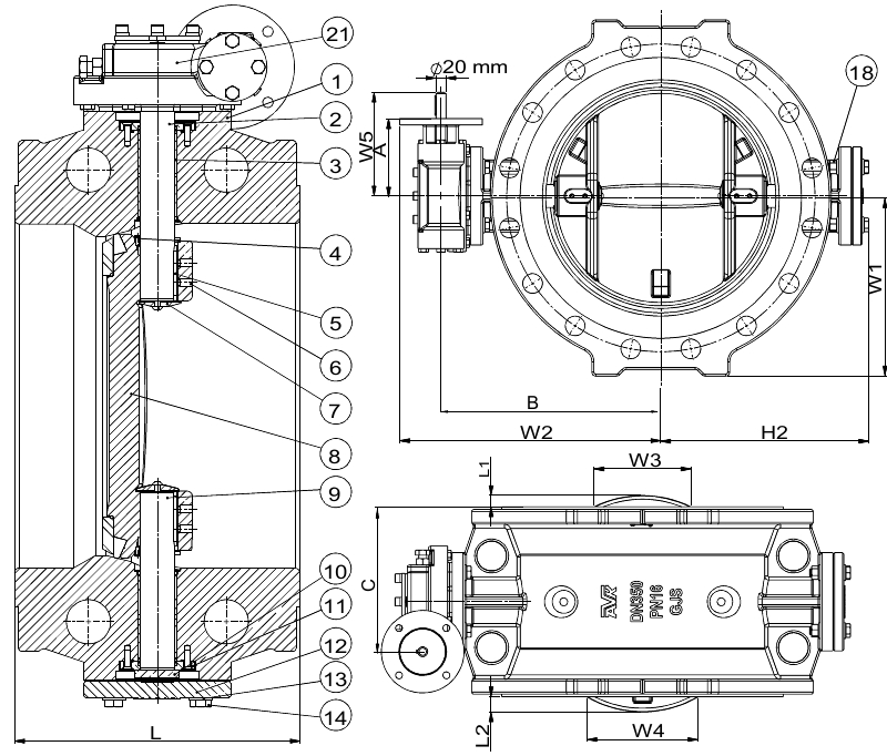
Reference nos. and dimensions:
| AVK ref. no. | DN mm |
Flange drilling |
L mm |
L1 mm |
L2 mm |
H2 mm |
W1 mm |
W2 mm |
W3 mm |
W4 mm |
W5 mm |
A mm |
B mm |
C mm |
ISO Flange |
Theoretical weight/kg |
|---|---|---|---|---|---|---|---|---|---|---|---|---|---|---|---|---|
| 756-0150-1-14002 | 150 | PN10/16 | 210 | - | - | 200 | 155 | 278 | - | - | 122 | 216 | 176 | F10 | 38 | |
| 756-0200-1-14002 | 200 | PN16 | 230 | - | - | 226 | 182 | 298 | - | - | 172 | 122 | 235 | 186 | F10 | 51 |
| 756-0250-1-14002 | 250 | PN16 | 250 | - | 1 | 260 | 215 | 332 | - | 6 | 172 | 122 | 269 | 196 | F10 | 68 |
| 756-0300-1-14002 | 300 | PN16 | 270 | 1 | 12 | 293 | 242 | 375 | 6 | 114 | 313 | 263 | 312 | 240 | F10 | 83 |
| 756-0350-1-14002 | 350 | PN16 | 290 | 19 | 25 | 318 | 272 | 401 | 155 | 176 | 313 | 263 | 338 | 250 | F10 | 110 |
| 756-0400-1-14002 | 400 | PN16 | 310 | 33 | 39 | 349 | 302 | 432 | 216 | 232 | 313 | 263 | 369 | 260 | F10 | 166 |
| 756-0450-1-14002 | 450 | PN16 | 330 | 47 | 53 | 389 | 332 | 498 | 269 | 283 | 320 | 269 | 403 | 203 | F10 | 184 |
| 756-0500-1-14002 | 500 | PN16 | 350 | 63 | 69 | 426 | 371 | 535 | 326 | 338 | 320 | 269 | 440 | 213 | F10 | 240 |
| 756-0600-1-14002 | 600 | PN16 | 390 | 92 | 98 | 502 | 435 | 657 | 424 | 435 | 406 | 355 | 532 | 235 | F10 | 410 |
Components
| 1. | Body | Ductile iron GJS-500-7 (GGG-50) |
| 2. | Drive shaft | Stainless steel 431 |
| 3. | Bearing | Bronze / PTFE composite |
| 4. | Cover | Stainless steel |
| 5. | Key | Stainless steel A2 |
| 6. | Set screw | Stainless steel A2 |
| 7. | End cover | Stainless steel |
| 8. | Disc | Ductile iron GJS-500-7 (GGG-50) |
| 9. | Stub shaft | Stainless steel 431 |
| 10. | Spacer | Bronze |
| 11. | Thrust bearing | Bronze |
| 12. | End plate | Ductile iron GJS-500-7 (GGG-50) |
| 13. | Washer | Stainless steel A2 |
| 14. | Bolt | Stainless steel A2 |
| 15. | Screw | Stainless steel A2 |
| 16. | O-ring | EPDM rubber |
| 17. | Gasket | EPDM rubber |
| 18. | Nut | Stainless steel A2 |
| 19. | Seal retainer ring | Stainless steel |
| 20. | Seal ring | EPDM rubber |
| 21. | Gearbox | Cast iron |
Test/Approvals
- Hydraulic test according to EN 1074-1 and 2 / EN 12266 |
- Seat: 1.1 x PN. Body: 1.5 x PN.
- Approved according to WRAS
- Approved by SASO
- Approved according to KIWA Certificate K 6320 (DN 700-800 only)
- Approved according to DIN-DVGW Certificate NW-6201BR0451 (DN 700-1200 only)
Standards
- EN 593
- Face to face according to EN 558 Table 2 Basic Series 14
- Flange drilling to EN1092-2 (ISO 7005-2), PN10/16